S7-200 Smart CPU本体的RS485接口不支持Profibus-DP协议,不能直接连接到Profibus-DP网络中。为了让S7-200 Smart 能接入到Profibus-DP网络,西门子推出扩展模块——EM DP01。今天这篇文章,我们就来认识下这个扩展模块。

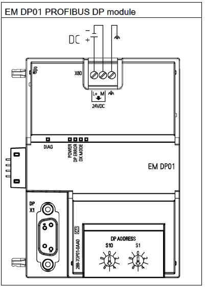
EM DP01需要单独供电,其外观示意图如下:

在模块的上端有编号为X80的端子排,其中1号针脚(Pin1)接24V DC正极;2号针脚(Pin2)接24V DC 负极;3号针脚(Pin3)为功能接地;
端子排的下端有四个LED指示灯,从左到右分别是诊断(DIAG)、电源(POWER)、DP错误(DP ERROR)和数据交换模式(DX Mode)。各LED灯的具体含义见下面的表格:

模块的左下角是RS485的接口,接口的针脚定义如下面的表格:

EM DP01的RS485接口,支持Profibus-DP和MPI两种协议,但都是Slave模式。也就是说,EM
DP01用于Profibus-DP通信时,只能作为Profibus的从站(Slave),而不能作为主站(Master)。因此两个EM
DP01模块之间不能通信;
EM DP01支持多种波特率,比如常见的9.6 Kbps、19.2 Kbps、500 Kbps等, 最大支持 12 Mbps。
在RS485接口的右侧,有两个旋钮开关(S10和S1),用来设置EM DP01的Profibus网络地址。把S10的值乘以10加上S1的值,就是当前模块的网络地址。
EM DP01一方面和Profibus网络的主站进行通信,另一方面和S7-200 Smart CPU进行通信,为了保证数据传输的准确性,EM DP01采用“缓冲区一致性”的方式进行数据传输。
什么是“缓冲区一致性”呢?它其实是Profibus协议支持的一种“数据一致性”方案。
Profibus协议支持三种“数据一致性”方案:字节一致性、字一致性和缓冲区一致性;
字节一致性:是将“字节(Byte)”作为一个整体进行传输,不会因为中断而被打断;
字一致性:是将“字(Word)”作为一个整体进行传输,不会因为中断而被打断;
缓冲区一致性:是将“缓冲区(Buffer)”作为一个整体进行传输,不会因为中断而被打断;
EM DP01采用的数据一致性是“缓冲区一致性”,具体的实现方法如下:
当EM
DP01接收到来自Profibus-DP主站的消息时,它会将这个消息作为一个整体,传送给S7-200 Smart
CPU,传送的过程不能被中断;S7-200
Smart接收到整个消息后,会将其作为一个整体,传送到V存储区,这个传送过程也不能被中断;发送的过程也是采用类似的方式,只是方向相反。这种把缓冲区的内容作为一个整体进行传输的方式,保证了数据的一致性,提高了通信的可靠性。
关于EM DP01的具体的通信实例,我们将在后续的文章中介绍。欢迎扫描下面的二维码关注我们的微信公众号。

北岛夜话



发表评论