西门子SIRIUS 3RA6紧凑型电机启动器是一种集断路器、固态过载继电器及接触器的功能于一体的电机启动模块,它可用于最大额定工作电流为32A(功率约15 kW/400V)的三相电机的直接启动。下面这张图是其功能组成示意图:

西门子SIRIUS 3RA6系列启动器包括3RA61、3RA62、3RA64和3RA65四个子系列,其中:
3RA61可用于电机的直接启动;
3RA62可用于电机的直接启动及反转控制;
3RA61/3RA62可通过可选的AS-i接口与AS-i主站(比如S7-1200)进行通信并控制电机启停;
3RA64/3RA65具有IO-Link接口,可通过该接口与PLC进行通信并控制电机启停;
今天这篇文章我们来介绍下3RA61和3RA62两款启动器产品。
1、SIRIUS 3RA61电机启动器
SIRIUS 3RA61电机启动器的外观如下图所示:

它的上端是三相进线端子:1L1、3L2、5L3;
下端有三相出线端子:2T1、4T2、6T3;
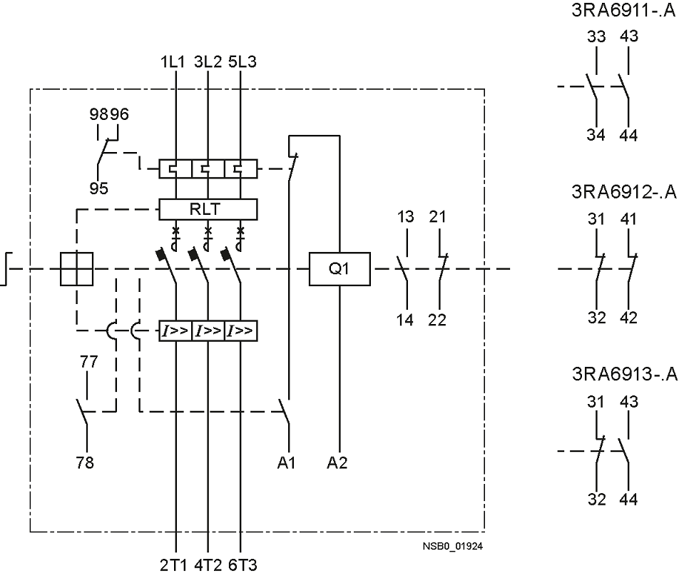
除此之外,A1+和A2-是线圈接线端子,还有常开和常闭触点,可根据需要选择组合,其内部电气原理图如下图所示:

该启动器上端的蓝色按钮为过载复位按钮。当电机出现过载时,启动器会自动跳闸。此时过载视窗会变成白色,在合闸前要先按蓝色复位按钮;
下面的圆盘可用来调节启动器的额定工作电流,其设置值要跟实际连接电机的额定电流相符合;
圆盘左侧有两个LED指示灯,其中:
①ON:点亮时表示主电路已经接通;
②A1/A2:点亮时表示控制电路已经接通(有控制电压);
下面的黑色手柄用来控制主电路的接通与断开:
正常工作时,要将其掰到Ready位置;
当电机出现短路、过载等故障时,该手柄会跳到Tripped位置;此时要先将其掰到OFF位置,再掰到Ready位置。合闸时阻力可能比较大,要稍稍用力;
如果需要断开主回路,将其掰到OFF位置;
2、SIRIUS 3RA62电机启动器
SIRIUS 3RA62电机启动器的外观如下图所示:

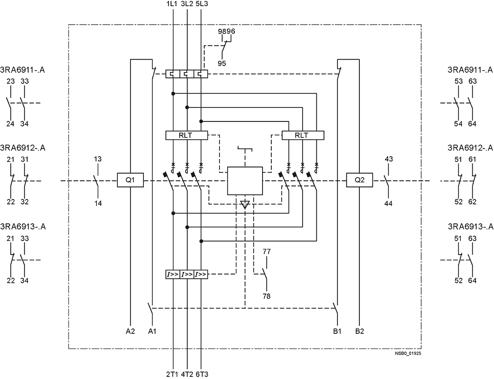
3RA62启动器内部集成了电气互锁和机械互锁,从而防止同时激活两个方向而造成短路。该启动器与3RA61类似,不过多了控制端子B1+和B2-,与A1+和A2-配合,可实现电机的正反转运行,其内部电气原理图如下图所示:

3RA61和3RA62都可以通过AS-i接口模块与支持AS-i协议的主站进行通信。AS-i接口模块的外观如下图所示:

好了,关于西门子SIRUS 3RA6紧凑型电机启动器就先介绍到这里。
我的微信视频号分享一些工控小知识,欢迎扫描下面的二维码观看:

北岛夜话



发表评论