关于西门子故障安全系统,前面我们介绍得比较多的是数字量模块,比如F-DI和F-DQ等。其实西门子还有模拟量信号的故障安全模块。今天这篇文章我们来介绍下可连接电流信号的故障安全模拟量输入模块:
F-AI 4xI 0(4)..20mA 2-/4-wire HF。
本文包括如下几个主题:
模块的名称含义、外观及引脚定义;
模块的1oo1传感器评估和1oo2传感器评估;
模块的地址分配;

1、模块的名称含义、外观及引脚定义
F-AI 4xI 0(4)..20mA 2-/4-wire HF名称中各部分的含义如下:
“F”表示“Fail-safe”,即“故障安全”;
“AI”表示“Analog Input”,即“模拟量输入”;
“4”表示有4个通道;
“I”表示“电流”。“4xI”表示有4个电流信号的通道;
“0(4)..20mA”表示可接收0~20mA或4~20mA的电流信号;
“2-/4-wire”表示“2线制或4线制传感器”;
“HF”表示“High Feature”,即“高性能”;
当我们明白模块名称的含义时,就基本清楚这个模块的功能了。这是一个有四个输入通道的、支持0~20mA或4~20mA电流信号的、可连接2线制或4线制传感器的故障安全性模拟量输入模块。它的外观如下图所示:

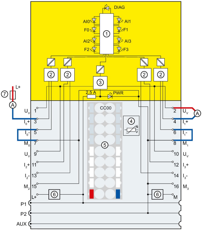
该模块的分辨率为16位(含1个符号位),使用A0或A1型基座,各部分定义如下图所示:

其中:
①背板总线接口;
②模数转换器;
③传感器电源/反极性保护;
④对基座A1进行测温(本模块不支持);
⑤颜色编码CC00的标签(可选);
⑥电源接口;
基座的引脚定义如下面表格所示:
| 编号 | 名称 | 含义 |
|---|---|---|
| 1 | Uv0 | 通道0外部传感器电源正极 |
| 2 | Uv1 | 通道1外部传感器电源正极 |
| 3 | I0+ | 通道0传感器信号正极 |
| 4 | I1+ | 通道1传感器信号正极 |
| 5 | I0- | 通道0传感器信号负极 |
| 6 | I1- | 通道1传感器信号负极 |
| 7 | M0 | 通道0外部传感器电源负极 |
| 8 | M1 | 通道1外部传感器电源负极 |
| 9 | Uv2 | 通道2外部传感器电源正极 |
| 10 | Uv3 | 通道3外部传感器电源正极 |
| 11 | I2+ | 通道2传感器信号正极 |
| 12 | I3+ | 通道3传感器信号正极 |
| 13 | I2- | 通道2传感器信号负极 |
| 14 | I3- | 通道3传感器信号负极 |
| 15 | M2 | 通道2外部传感器电源负极 |
| 16 | M3 | 通道3外部传感器电源负极 |
虽然传感器的电源可以来自外部,但是我们推荐使用模块通道的内部电源对传感器进行供电。模块可以对内部传感器电源进行监测,并通过“Fn”LED 指示灯进行状态指示。当接线或传感器短路时,系统会对输入进行保护。
F-AI 4xI 0(4)..20mA 2-/4-wire HF模块可以连接2线制或4线制电流传感器,关于具体的应用我们将在下一篇文章详细介绍。这里简单说下两线制传感器的1oo1连接,如下图所示:

上图中:A表示两线制电流传感器,左侧(通道0)使用外部电源供电,右侧(通道1)使用内部电源供电;
2、模块的1oo1传感器评估和1oo2传感器评估
这个模块支持两种传感器评估方式:1oo1评估和1oo2评估。
1oo1评估是单通道传感器评估;
1oo2评估是两个单通道传感器或一个双通道传感器评估;
通道0和通道2可以组合为一组,作为1oo2评估;同样的,通道1和通道3也可以组合为一组1oo2评估。作为1oo2评估组,则需要设置几个参数:
组值(Unit Value):可选MIN或MAX。“MIN”表示使用2个通道中数值较小的一个作为组值;“MAX”表示使用2个通道中数值较大的一个作为组值;组值也被称为标准值(Standard Value);
绝对容差窗口(Tolerance window %, absolute):两个输入通道信号的差别限值,以输入信号满量程的百分比表示。比如,假设输入信号为0~20mA,绝对容差窗口设置为5%,则两个输入通道信号差别最大允许为20*5%=1(mA)。
相对容差窗口(Tolerance window %, relative):两个输入通道信号的差别限值,以组值(标准值)的百分比表示。假设相对容差窗口为5%,某时刻组值为10mA,则则两个通道的最大允许差别值为10*5%=0.5(mA);
差异时间(Discrepancy time):当两个输入通道的值超过了绝对容差窗口或相对容差窗口后,模块并不会立刻报错,而是要持续某段时间。这个时间被称为差异时间。当两个通道的信号差异超过了设置的差异时间,模块会触发差异错误,并发送诊断报警到F-CPU。差异时间的单位为毫秒(ms);
3、模块的地址空间分配
3.1、输入映像区
该模块占用S7-1200/1500系列CPU输入映像区14个字节,假设输入起始地址为x,则地址范围为IB x~IBx+13;其中:
IB x+0~IB x+1:通道0的输入值(或1oo2评估时0/2通道的组值);
IB x+2~IB x+3:通道1的输入值(或1oo2评估时1/3通道的组值);
IB x+4~IB x+5:通道2的输入值;
IB x+6~IB x+7:通道3的输入值;
IB (x+8).0 →AI0的值状态;
IB (x+8).1 →AI1的值状态;
IB (x+8).2 →AI2的值状态;
IB (x+8).3 →AI3的值状态;
3.2、输出映像区
占用CPU输出映像区5个字节,假设输出起始地址y,则地址范围为:
QB y ~QB y+4;
好了,关于故障安全模拟量输入模块F-AI 4xI 0(4)..20mA 2-/4-wire HF就先介绍到这里。
下面是西门子SIMATIC ET200SP分布式系统文章归档的链接:
》》西门子SIMATIC ET200SP分布式系统文章归档《《
我的微信视频号有关于故障安全地址分配的视频,欢迎扫描下面的二维码观看:

认识西门子ET 200SP的故障安全模拟量输入模块(电流型)
来源:本站| 大小:1282 KB| 下载次数:866次
北岛夜话



发表评论