今天这篇文章跟大家分享一下我写的电机正反转运行控制的函数,支持急停及接触器的反馈监视功能。

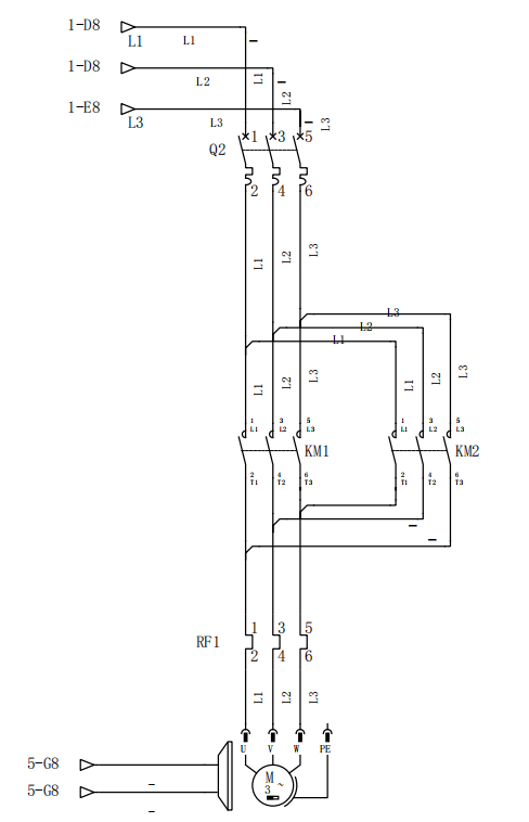
本例程的电机采用接触器直接控制(电机带有抱闸),主回路类似下图:

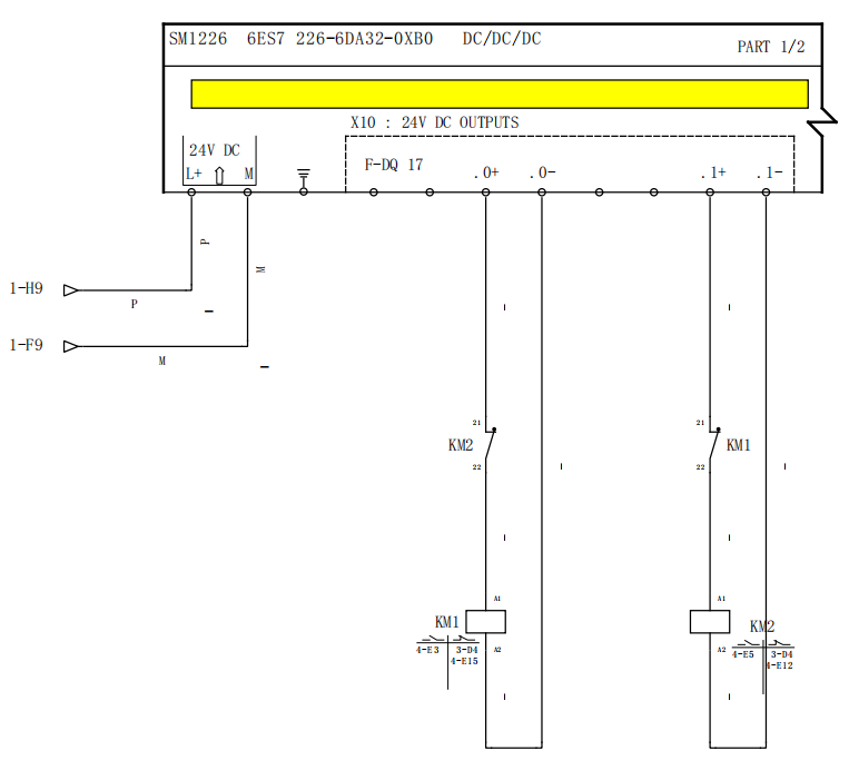
控制回路类似下图:

这两张图都是用QElectroTech绘制,感兴趣可以看看我上一篇文章:
下面介绍使用SCL语言编写的电机控制函数块。
在博途环境下新建项目,添加新设备“CPU 1517-3PN/DP”。
在设备树的【程序块】下双击“添加新块”,在弹出的对话框中选择函数块(FB),语言选择“SCL”,名称为“motor_run_2_dirctions”。
双击打开函数块“motor_run_2_dirctions”,声明变量如下图所示:

编写代码如下图所示:



这个函数块我已经测试过,包括正转、反转、无反馈、急停等情况。由于是环境模拟,我将反馈监视的时间设置为10秒。实际使用时应根据实际情况设置,该参数的默认值为2秒。如下图所示:

该函数块的停止信号兼有复位的功能。
可以在本文附件下载例程中的源代码,利用导入外部源文件的方式导入到项目中。
声明:该源代码仅供学习参考,我们不对其使用所造成的任何后果负责!
好了,关于使用SCL语言编写的电机正反转的函数块就先介绍到这里。
我的书《西门子S7-1200/1500 PLC SCL语言编程 ——从入门到精通》从硬件到软件,比较详细的介绍了SCL语言的编程,感兴趣的话可以扫描下面的二维码查看:

来源:本站| 大小:1.5KB| 下载次数:559次
北岛夜话



发表评论
来个西门子1200 plc的HTTP通信案例就好了