


在“创建新元素”向导中,为新元素文件命名为“ai_2xui_2_4_hf(名称仅支持英文小写和下划线)”,如下图所示:

单击“Next(下一步)”,为新元素命名(可输入中文),如下图所示:

单击“Finish(完成)”进入元素绘制界面。此时你可以使用左侧工具栏的基本元素进行绘制,也可以在空白处单击右键,选择“从文件或元素粘贴”。粘贴的元素可以来自软件自带的符号库,也可以来自用户自定义符号库。
由于我之前已经绘制过ET200SP的一款模拟量输入模块(AI 2xI 2-/4-wire HF),我就从它进行粘贴然后修改一下,如下图所示:

放置时要注意让每个红色的电气端子其x轴坐标应为10的倍数,否则完成后无法实现导线自动连接。
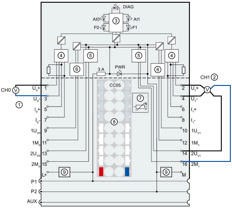
根据手册,对端子进行重新命名,修改模块名称和订货号。由于该模块端子比较多,全部集中在一起会占很大篇幅,因此将其分成两部分,第一部分是手册中的左侧部分,如下图所示:

同样的方法绘制第二部分(手册中右侧部分)如下图所示:

绘制完成后关闭元素编辑界面,回到电气图纸绘制界面。添加刚完成的模拟量输入模块,再任意添加一个传感器,看看新元素能否自动连线。能自动完成连线说明绘制的元素没有问题,如下图所示:

好了,关于QElectroTech绘制自定义符号就先介绍到这里。
我的书《西门子S7-1200/1500 PLC SCL语言编程 ——从入门到精通》从硬件到软件,比较详细的介绍了SCL语言的编程,感兴趣的话可以扫描下面的二维码查看:

北岛夜话



发表评论