Profinet是西门子的一种现场总线标准,它以百兆以太网为基础,将控制器(PLC)与分布式终端(IO)组成一个网络。Profinet可以看做是一个局域网,目前在工业现场有着广泛的应用。

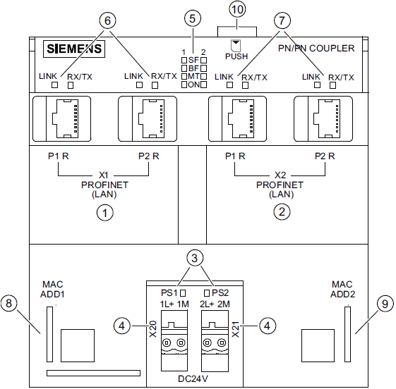
PNPN耦合器(PNPN Coupler)用来连接两个Profinet网络并进行数据交换,最多可以交换1024个字节的数据。数据交换使用两个相互对应的缓冲区,每个缓冲区都有发送区域(Output)和接收区域(Input)。一个Profinet网络的发送区对应另一个Profinet网络的接收区,反之亦然。发送和接收区域需要使用组态工具进行设置。下图是西门子PNPN耦合器的外观图和内部视图:


上图中:
1)网络1的两个PN接口(X1-P1和X1-P2);
2)网络2的两个PN接口(X2-P1和X2-P2);
3)电源状态LED灯;
4)24V电源(PS1和PS2);
5)网络1和网络2的诊断LED;
6)网络1的状态LED;
7)网络2的状态LED;
8)PNPN耦合器在网络1的MAC地址;
9)PNPN耦合器在网络2的MAC地址;
10)SIMATIC微型卡插槽;
PNPN耦合器采用冗余电源设计,可以连接两个独立的24V电源(PS1和PS2),但在同一时刻只有一个电源处于激活状态,当前电源故障时,会立刻切换到另一个电源。下图是PS1和PS2的接线示意图:

其中:
1) +24 DC PS1;
2)-24V DC(Ground)PS1;
3)环路输出+24V DC PS1;
4)环路输出 -24V DC(Ground) PS1;
5) +24 DC PS2;
6)-24V DC(Ground)PS2;
7)环路输出+24V DC PS2;
8)环路输出 -24V DC(Ground) PS2;
PNPN耦合器的两个网络(X1和X2)在电气上完全隔离,相同的IP和设备名不会引发冲突;每一侧都集成了2端口的交换机,端口支持PING,ARP,SNMP等网络服务;端口具有诊断功能,支持诊断中断,并可以被禁用;
PNPN耦合器上部有一排LED指示灯,可以用来诊断相关的故障。指示灯的含义如下:
SF1--Profinet网络1中存在故障(红色)
SF2--Profinet网络2中存在故障(红色)
BF1--Profinet网络1总线存在故障(红色)
BF2--Profinet网络2总线存在故障(红色)
MT1--Profinet网络1需要维护(黄色)
MT2--Profinet网络2需要维护(黄色)
ON---24V DC电源接通
LINK-连接正常(绿色)
RX/TX--数据发送接收(黄色)
关于PNPN耦合器就先介绍到这里,后续文章会介绍组态与编程。如果你喜欢这篇文章,可以去官网下载。

北岛夜话



发表评论