我之前的文章曾介绍过Pilz的PNOZ x3/x2.7P/x2.8P,s4/s5等安全继电器,感兴趣的小伙伴可以点击本文上方的话题查看相关文章。PNOZ s4/s5属于PNOZsigma家族,该家族产品的最大特点是可以通过扩展单元对安全触点的数量进行扩展。进行此类扩展需要两个部分:基本单元和扩展单元。基本单元可以是PNOZ s4/s5这类具有回路监控功能的安全继电器;扩展单元可以是PNOZ s7、s7.1或s7.2这类具有安全触点的模块;基本单元和扩展单元之间有预留的接口,通过专用的连接器相连。基本单元可以通过该接口控制扩展单元的触点并接收反馈信号进行评估。对于没有供电能力的扩展单元PNOZ s7.2而言,该接口还可以进行供电;下面我们来详细介绍下PNOZ s7、s7.1及s7.2三种扩展单元。

1、PNOZ s7
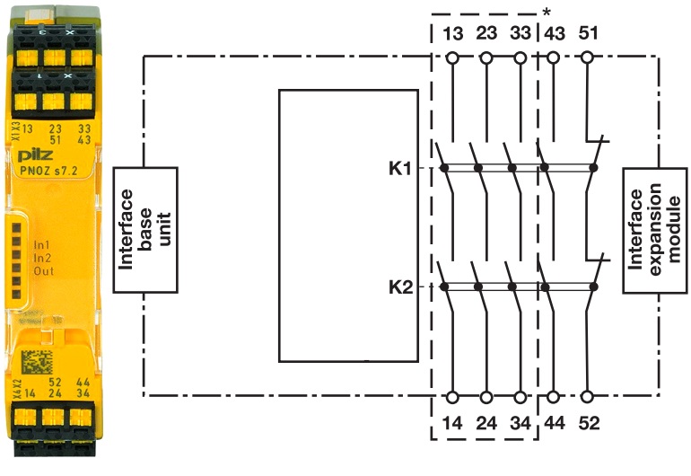
PNOZ s7有4路安全常开触点(13-14,23-24,33-34,43-44)和1路辅助常闭触点(51-52),1路电源接线端子(A1-A2),其外观及内部电路如下图所示:

该模块需要配合PNOZ基本单元使用。
如果连接PNOZsigma型基本单元(比如PNOZ s5),则其电源端子A1/A2不用接线,基本单元会通过专用连接器控制PNOZ s7的端子并监控其反馈,不需要额外接线;
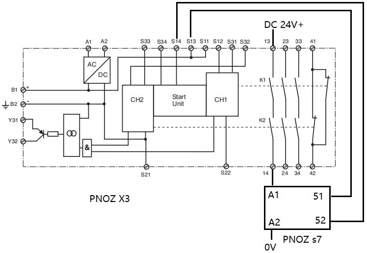
如果连接PNOZ X型基本单元(比如PNOZ X3),需要将A1连接到1路安全回路触点,并且将51-52连接到安全继电器的反馈回路。下面这张图是我画的PNOZ X3与PNOZ s7连接的示意图(仅画出二者的关联部分,其它接线省略)

2、 PNOZ s7.1
PNOZ s7.1可以连接PNOZ基本单元和PNOZ s7.2扩展单元,它有3路安全常开触点(13-14,23-24,33-34);2路电源接线端子(A1-A2和B1-B2),其中,A1-A2给模块本身供电,B1-B2给扩展模块供电;1路反馈接线端子(Y1-Y2);
其外观及内部原理图如下图所示:

如果基本单元为PNOZsigma型,则A1-A2不需要接线;通过专用连接器将基本单元和PNOZ s7.1相连,可实现触点控制;Y1-Y2也不需要接线,专用连接器会实现信号反馈;
如果基本单元为PNOZ X型,则A1-A2连接到PNOZ x的1路安全常开触点(A1接24V正极,A2负极),Y1-Y2作为反馈信号,与PNOZ s7的接线类似,如下图所示:

(上图中K1为PNOZ X型安全继电器)
B1-B2作为扩展单元供电端子,如果要连接PNOZ s7.2扩展单元,需要将B1接24V正极,B2接负极;
3、 PNOZ s7.2
PNOZ s7.2为PNOZsigma家族的扩展单元,它配合PNOZ s7.1使用,需要使用连接器将两者相连。
它有4路安全常开触点(13-14,23-24,33-34,43-44)和1路辅助常闭触点(51-52),其外观及内部原理图如下图所示:

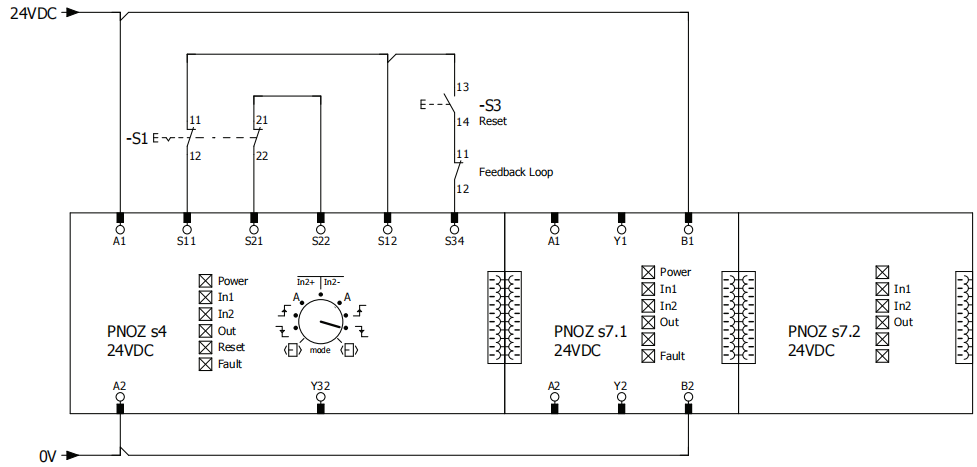
PNOZ S7.2与PNOZ s7.1及PNOZ s4(基本单元)构成的多触点、双通道安全回路的接线图下图所示:

好了,关于Pilz安全继电器PNOZ s7/s7.1/s7.2就介绍到这里。
我的微信视频号分享工控小知识,欢迎扫描下面的二维码查看:

北岛夜话



发表评论