今天这篇文章,我们来介绍下西门子SINAMICS S120驱动器的电机模块。电机模块的作用是把经过电源模块整流后的直流电,逆变成电压和频率都可调的交流电,然后输送给电机。

SINAMICS S120书本型电机模块根据其尺寸和性能的不同,分为:经典型、C型、D型和紧凑书本型;
经典型电机模块可以输出85~200A电流,具有最高2倍的过载能力;
C型电机模块针对连续性负载进行了优化,具有最高两倍的过载能力(连续运动);
D型电机模块针对高动态断续性负载循环进行了优化,具有最高三倍的过载能力(断续运动);
紧凑书本型结构紧凑小巧,可以节省大量的空间,具有最高三倍的过载能力;
根据连接电机数量的不同,分为单轴型和双轴型。顾名思义,单轴型电机模块可以连接一个电机;双轴型电机模块可以连接两个电机;与两个单轴型电机模块相比,双轴型电机模块可以节省50%的空间;
书本型单轴电机模块的输出电流及对应的类型如下面的表格所示:
| 电流(A) | 宽度(mm) | 经典型 | C型 | D型 |
|---|---|---|---|---|
| 3 | 50 | ✔ | ||
| 5 | 50 | ✔ | ||
| 9 | 50 | ✔ | ||
| 18 | 50 | ✔ | ✔ | |
| 24 | 50 | ✔ | ✔ | |
| 30 | 100 | ✔ | ✔ | |
| 45 | 100 | ✔ | ||
| 60 | 100 | ✔ | ||
| 85 | 200 | ✔ | ||
| 132 | 300 | ✔ | ||
| 200 | 300 | ✔ |
书本型双轴电机模块的输出电流及对应的类型如下面的表格所示:
| 电流(A) | 宽度(mm) | 经典型 | C型 | D型 |
|---|---|---|---|---|
| 2x3 | 50 | ✔ | ||
| 2x5 | 50 | ✔ | ||
| 2x9 | 50 | ✔ | ||
| 2x18 | 100 | ✔ | ✔ |
下面这张图是单轴型电机模块(C型,45A)的外观图:

模块的上部有DRIVE-CLiQ的接口,可以连接控制单元接收命令,也可以连接电机的传感器;还有EP端子和温度传感器的接口,如下图所示:

当激活"板载端子的安全集成基本功能"后,EP端子可以封锁电机模块的电流输出,起到安全停车或安全扭矩关断的作用;
温度传感器端子用来连接电机的温度传感器进行测温反馈;
中间的LED指示灯可以指示工作状态或故障报警;
下端是电机接线端子及抱闸的接线端子;
下面这张图是电机模块底部图,图中①的端子X11就是电机抱闸接线端子:

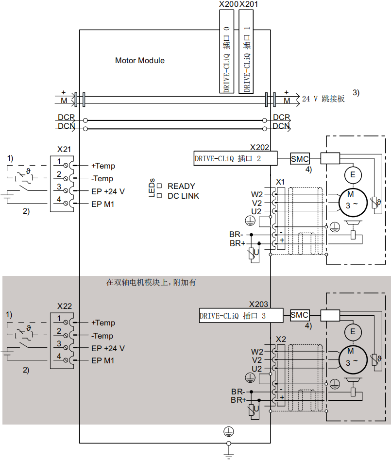
电机模块的接线图如下所示(图中灰色部分表示双轴型电机模块的第二轴):

好了,关于SINAMICS S120的电机模块就先介绍到这里。
我的微信视频号以视频的方式分享一些工控小知识,欢迎扫描下面的二维码观看:

北岛夜话



发表评论