工业现场有很多的总线系统,比如:PROFIBUS、PROFINET、DeviceNet、INTERBUS、CC Linkt等。我们前面的文章对PROFIBUS和PROFINET都有介绍,今天这篇文章,我们来聊聊 INTERBUS总线。
INTERBUS总线是德国菲尼克斯(Phoenix Contact)公司于1987年在汉诺威(Hannover)工业博览会上首次公布的一种总线系统,其早期名称为“INTERBUS-S”,后来改为“INTERBUS”。
INTERBUS总线是一种串行总线,它使用环形拓扑结构,在控制系统(比如PLC、工控机)和分布式模块之间进行信号传输。
在INTERBUS的环形的拓扑结构中,所有的设备(模块)都被连接到一个封闭的传输通路上。每一个设备(模块)都能接收前一级传来的信号,并把信号进行放大后发送到后一级设备(模块)。与普通的环形网络不同,INTERBUS的环形总线采用全双工的通信方式,同时包括了发送和接收两条线,因此可以同时发送和接收信息。
INTERBUS总线中的设备包括:总线控制板(Controller Board)、总线终端模块(BUS Terminal Module )、远程总线段(Remote BUS)、本地总线段(Local BUS)。其中,总线控制板为主设备(Master)、其它设备(模块)均为从设备(Slave)。连接总线控制板与总线终端模块之间的总线称为远程总线(Remote BUS),连接总线终端模块与本地模块的总线称为本地总线(Local BUS)。如下图:

总线控制板(Contoller Board)是主设备(Master),它的作用是对整个INTERBUS网络进行控制和诊断,其内部保留了一个输入/输出数据堆栈,当总线运行时,与各从站的交换的数据全部保存在该数据堆栈中。INTERBUS采用主-从的通信方式,因此每一个INTERBUS总线系统都有一个总线控制板作为主站,通过主站引出环路连接到每一个从站。同时总线控制板还有与控制系统(PLC、PC等)通信的接口,以便把总线的数据传送到控制系统中。下图是连接S7 300的总线控制板 IBS S7 300 DSC-T:

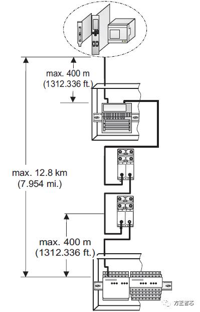
远程总线(Remote BUS)用来连接总线控制板与远程总线设备,其物理层传输介质可以使用铜导线(RS-485标准),光纤或红外线。当使用电导线时,远程总线的最大长度(从总线控制板到最后一个终端模块)为12.8公里;使用光导线时,最大可达到80公里。远程总线设备包括:总线终端模块、特殊I/O模块、远程机器人或驱动器等,使用最多是总线终端模块。下图是远程总线距离的示意图:

总线终端模块(BK Module)在INTERBUS中发挥着承前启后的作用,它一方面通过远程总线(Remote BUS)与总线控制板相连接,另一方面通过本地总线(Local BUS)与分布式传感器想连。各种传感器的信号通过本地总线传送到总线终端模块,然后通过远程总线传送给总线控制板。INTERBUS最多支持254个总线终端模块,两个总线终端模块之间的最大距离为400米(电导线),从总线控制板到第一个总线终端模块的最大距离为400米(电导线)。总线终端模块的电源为非切断性电源,即当总线工作时,该电源不能因为总线故障或其它原因而被切断。因为INTERBUS是环形总线,一旦某个总线终端模块被断电,整个总线的通信将受到影响。总线终端模块还为本地总线提供通信的电源。下图是光纤型总线终端模块(BS ST BKM-LK)的示意图:

本地总线(Local BUS)与总线终端模块相连,现场的分布式传感器(I/O)连接到本地总线的模块上,然后通过总线终端模块发送到远程总线上。与远程总线不同,本地总线采用TTL电平信号,其最大允许长度为10米,两个本地总线模块之间的最大长度不能超过1.5米。本地总线可以分为ST总线和INLINE总线两种类型。ST是“Smart Terminal”的缩写,ST模块包括数字量的输入、输出及模拟量输入、输出及智能模块等,可以用来连接现场的各种数字量、模拟量信号。ST模块之间通过ST线缆相连并连接到总线终端模块上。INLINE本地总线是一种开放性的总线,其开放性表现在可以通过各种耦合器(比如Profibus耦合器、Profinet耦合器、DeviceNet耦合器、CANOpen耦合器)与其它总线系统相连接。INLINE总线本身也支持数字量输入/输出、模拟量输入/输出、智能模块等功能模块,使用起来很方便。
本地总线还有一种环形结构段(LOOP段),它是一种防护等级为IP65的直接用于现场的本地总线段。LOOP段的传输介质为一根两芯的无屏蔽的导线,使用电流环进行信号传输。每个LOOP段最多安装63个模块,两个模块之间的最大距离为20米,LOOP段支持的最大长度为200米,环路中的最大电流为1.8安培。相比于电压信号,电流环的抗干扰能力更强,可用于干扰较多的场所。
INTERBUS采用环形的拓扑结构,每一个节点通过移位寄存器进行数据的发送和接收,因此不用设置节点的地址。当模块发生故障时,可以快速的更换,这使得系统的安装和维护工作变得相对容易。但同时也不得不说,环形网络要求每一个节点都要稳定可靠,因为任何一个节点发生故障,都会影响整个系统。而树状拓扑结构则不同,当分支节点发生故障时,不会影响其它节点的通信。
INTERBUS在1994年成为德国国家标准(DIN19825);在1997年成为欧洲标准(EN50254);在2000年,成为国际标准(IEC61158)。多年来,INTERBUS的技术得到了很大的发展,市场上出现了几千种产品,为了保证INTERBUS产品的一致性与连续性,早在1992年就成立了INTERBUS俱乐部。
INTERBUS俱乐部负责对INTERBUS产品进行认证,符合标准的将授予认证标志并颁发认证证书,下图是INTERBUS俱乐部公布的INTERBUS认证标志:

总之,INTERBUS总线具有很好的可靠性、较高的灵活性及很大的开放性,是现代工业现场使用较多的总线系统之一。方正智芯(founderchip)会在后续的文章中陆续介绍INTERBUS的更多知识,欢迎持续关注我们。
如果你喜欢本文,可以关注我们的微信公众号。

北岛夜话



发表评论