一个好的控制系统,首先必须是一个安全的系统——当系统发生故障或紧急停机时,能够保证人身和设备的安全。谈到安全自动化系统,不得不提到德国的皮尔磁(Pilz)公司。Pilz公司在安全自动化领域深耕数十载,有着安全PLC、安全开关、安全继电器等诸多安全产品。最值得一提的是,Pilz做出了第一个用于急停的安全继电器(PNOZ),得到了世界范围内的广泛认可。从那以后,PNOZ几乎成了安全继电器的代名词。今天,PNOZ安全继电器已经有很多系列的产品,比如:PNOZsigma、PNOZ X、PNOZcompact、PNOZelog等,每一个系列下面又有不同的型号。今天这篇文章,我们以PNOZ X3为例,谈谈用于急停按钮的安全继电器的使用。

PNOZ X3的外观如下图:

PNOZ X3有三路安全触点,分别是:13-14,23-24和33-34,均属于常开触点,可用于安全回路;有一路辅助触点,即41-42,属于常闭触点。辅助触点不能用于安全回路;有一路晶体管输出触点:Y31-Y32。
PNOZ X3有10个安全回路接线端子,其名称均以“S”(Safe)开头,包括S11,S12,S13,S14,S21,S22,S31,S32,S33和S34。其中S11和S13内部与电源正极相连,S21内部与电源负极相连。S 端子内部连接了2个安全通道(CH1和CH2)及一个启动/复位通道(Start Unit),下面这张图是PNOZ X3的内部接线图:
PNOZ X3可以接受230V AC或24V DC两种电源,当连接230V AC时,A1接L1,A2接N,B2接地;当连接24V DC时,B1接正极(+24V),B2接负极。如下图:

PNOZ X3的前端有三个LED指示灯,分别表示电源(POWER)、通道1(CH.1)和通道2(CH.2)。当电源接通时,电源(POWER)LED灯被点亮(绿色);当电源接通并且安全通道S13-S14处于闭合回路时,PNOZ X3工作就绪(Ready);
此时若通道1(CH1)和通道2(CH2)均处于闭合回路,则安全常开触点13-14,,23-24和33-34闭合,辅助常闭触点41-42断开;两个通道LED灯均被点亮(绿色);晶体管输出Y31-Y32闭合;
此时若通道1(CH1)和通道2(CH2)被断开(比如:拍下急停按钮),则安全常开触点13-14,,23-24和33-34断开,辅助常闭触点41-42闭合;两个通道LED灯均熄灭;晶体管输出Y31-Y32断开;
下面我们来看看PNOZ X3如何连接急停按钮:

当使用单通道的急停按钮时,把S21-S22相连,S32-S31相连,然后把急停按钮的常闭触点连接在S12-S11之间;
当使用双通道的急停按钮时,把S11-S12相连,把急停按钮的两路常闭触点分别连接在S21-S22和S31-S32之间;
当安全继电器刚上电或者急停按钮恢复后,需要给PNOZ X3的启动单元(StartUnit)一个信号,使其处于激活状态;PNOZ X3的启动包括两种方式:自动启动和手动启动;
自动启动(Automatic Start)是将S13-S14以闭合回路相连。这种情况系下,当两路安全通道(CH1和CH2)重新闭合后(比如:急停按钮恢复),安全继电器将自动恢复工作状态;
手动启动,或者叫做监控启动(Monitored Start),是将S33-S34连接在一个常开触点的通路中。在这种情况下,即使两路安全通道(CH1和CH2)重新闭合后(比如:急停按钮恢复),安全继电器也不会自动恢复工作状态。必须手动使S33-S34闭合(下图中的S3)一段时间(典型值35ms),然后安全继电器才能恢复工作状态;
自动启动(Automatic Start)和手动启动(Monitored Start)的接线图如下:

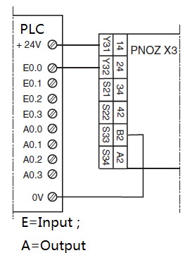
当PNOZ X3处于工作(Active)状态时,Y31-Y32会闭合,可以使用下面的接线图将安全继电器的状态传给PLC;

关于PNOZ X3的内部原理及相关接线图就先介绍到这里,欢迎扫描下面的二维码关注我们。

北岛夜话



发表评论
你好,讲的很详细,有机会希望可以深度交流。
图片怎么一个位看不到啊